Варианты заданий
Версия для печати и копирования в MS Word1
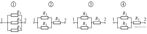
На рисунке изображена схема участка электрической цепи, состоящего из трех резисторов R1 , R2 , R3 . На каком из следующих рисунков приведена электрическая схема этого участка цепи, эквивалентная заданной?
1) 1
2) 2
3) 3
4) 4
2
На рисунке изображена схема участка электрической цепи, состоящего из трех резисторов R1, R2 , R3 . На каком из следующих рисунков приведена электрическая схема этого участка цепи, эквивалентная заданной?
1) 1
2) 2
3) 3
4) 4

