Задания
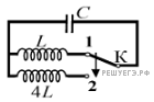
Версия для печати и копирования в MS Word Как изменится период собственных электромагнитных колебаний в контуре (см. рис.), если ключ К перевести из положения 1 в положение 2?
1) уменьшится в 2 раза
2) увеличится в 4 раза
3) увеличится в 2 раза
4) уменьшится в 4 раза
Решение.
Период собственных электромагнитных колебаний в контуре определяется выражением: Как видно из рисунка, переключение ключа соответствует увеличению индуктивности в контуре в 4 раза. Таким образом, период колебаний увеличится в 2 раза.
Ответ: 3

